您現在的位置:中國農業儀器網 > 技術文章 > 便攜式小型氣象站的工作原理和系統構成
便攜式小型氣象站的工作原理和系統構成
1 系統概述
目前,應用于工業、農業、漁業、氣象等方面的便攜式溫度、氣壓、濕度數據采集系統基本上是采用有線式的,其便攜式性能主要體現在移動和架設的方便程度等方面,在實際使用過程中仍然需要系統布線、建立連接等,并且體積較大,攜帶不便,不能滿足便攜式設備的要求。
便攜式小型氣象站系統主要包括采集與發送、接收與數據處理兩個部分。采集與發送部分完成自動數據采集、數據無線發射、接收指令完成相關設置等。架設方式可根據具體需要來定。接收與數據處理部分完成數據接收和顯示,并接收鍵盤指令對兩個部分進行相關的設置,根據設置的報警方式觸發報警等。由于本系統元器件不多,可以制成手持式或臺式。手持式的數據顯示方式宜采用液晶顯示模式,一方面節省能源,另一方面可大大縮小外觀體積,更適于便攜。臺式的接收與數據處理可采用數碼管顯示的方式,遠距離觀察時效果比較好。
2 系統工作組成
本便攜式小型氣象站系統的硬件主要由單片機和存儲單元、AD 轉換單元、傳感器單元、無線傳輸單元、電源單元組成,如圖 1 所示。
2.1 單片機和存儲單元
便攜式小型氣象站單片機采用 Atmel 的 AT89S51。S1、C3 和 R1 構成單片機復位電路,C1、C2 和 11.0592MHz 晶振組成穩定的時鐘電路,為單片機可靠工作提供保證。S51第 31 腳(/EA/VP)接高電平,使用內部程序存儲器。24C01 用來保存有關參數設置數據。
2.2 A/D 轉換單元
AD 轉換采用常見的 8 位雙通道 AD 轉換器ADC0832,工作時鐘由 D 觸發器 74LS175 對單片機ALE 腳輸出的時鐘信號(頻率約為 1.8434MHz)8 分頻后提供,ADC0832 與單片機和傳感器的連接見圖 1。

2.3 傳感器單元
傳感器主要包括溫度、濕度和氣壓等 3 種傳感器。溫度傳感器采用 Dallas 半導體公司的“一線總線”數字化溫度傳感器 DS18B20,其溫度測量范圍為-55~+125℃,在-10~+85℃范圍內的精度為±0.5℃。現場溫度直接以“一線總線”的數字方式傳輸給單片機,能大大提高便攜式小型氣象站系統的抗干擾性,適合于惡劣環境的現場溫度測量。濕度數據的采集用 GY-HRM201 型濕敏電阻模塊作為傳感器。使用方便,外接 5VDC 電源即可輸出變化的電壓信號。氣壓傳感器選用 Freescale(Motorola)的 MPXM2202 型壓力傳感器,測量范圍為 0~200kPa,電源為 10VDC,最大為 16V。為減少整個采集系統的功率消耗,本系統對濕度和氣壓傳感器及其外圍電路采用了間歇供電模式,即在進行數據采樣前先供電,延時 50ms 后再啟動 ADC采樣,轉換完成后斷開電源。單片機程序通過其 I/O口 P2.4 進行電源管理控制。

2.4 電源單元
儀器采用高能鋰聚電池供電,電源單元原理如圖2 所示。充電電路由開關電源和充電監測電路組成,電池充滿后自動停止。電池組由 4 節鋰聚電池組成,每節額定電壓為 3.7V,充滿空載電壓為 4.2V,4 節串聯后總電壓為 14.8V。電池組電壓輸出經放電保護電路后,由 12V 和 5V 穩壓模塊穩壓后輸出+12V 和+5V,為整個采集系統提供電源。
3 射頻傳輸
本小型氣象站系統采用單片射頻收發器芯片 nRF403 和編解碼芯片 PT2262/2272 構成雙向數據傳輸通道,收發狀態轉換由單片機實時控制。發射調制采用透明傳輸方式,編碼信號可直接連接到發射模塊的數據輸入端,在接收機的數據輸出端即可輸出解調信號。

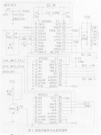
3.1 電路原理圖
便攜式小型氣象站電路原理圖如圖 3 所示。空閑時單片機 P2.3 口輸出低電平,nRF403 工作在接收待機狀態。如果有無線傳輸信號時,芯片 nRF403 進入接收狀態,將接收到的數據由 DOUT 端口輸出給解碼芯片 PT2272。當PT2272 解碼正確時,它的 VT 端產生一個正脈沖,經9014 反相后送給單片機的外部中斷 INT0,產生接收中斷信號,單片機進入接收服務程序通過 P3.0 口(RXD)完成數據的接收。當定時數據發送時間到,單片機 P2.3 口輸出高電平,立即將芯片 nRF403 由接收待機狀態轉入發射狀態,由 P3.1 口輸出要發送的數據到編碼芯片 PT2262 的數據輸入口,完成編碼后直接送到芯片 nRF403 的 DIN 口,完成數據的無線發送。數據發送完成后 89S51 的 P2.3 口輸出低電平,控制芯片 nRF403 再次進入接收等待狀態。
3.2 通訊協議
小型氣象站系統數據的發送和接收是兩個不同的通道,發送和接收不分主次。數據傳輸速率固定使用 1200 波特率,因此發送和接收兩方的單片機串口設置相同。數據的傳輸分兩種情況,一種是采集的數據,溫度、氣壓和濕度各 2 個字節,后面緊跟對應的 6 個字節的反碼,作為差錯控制使用;另一種是控制指令,完成接收端的相應控制。發送的通訊協議有兩種,一種是指令包,另一種是數據包,如表 1 所示。

Start_HEAD:傳送開始標志,目的是使接收機和發送機同步。
Start_STX:數據傳輸開始標志。
Start_TC:區別碼,區分傳送的是指令包還是數據包。
TEXT:正文部分,當傳送指令包時,只有一個字節,值為 00H,當傳送數據包時為 12 字節的溫壓濕數據(正反碼)。
Start_BCC:差錯檢測,累加和校驗碼(縱向奇/偶),對 Start_TC 和 TEXT 一起進行累加和校驗。
Start_ETX:數據傳輸結束。
Start_END:傳送終止標志,表示發送機將立即停止發送動作。
Start_TC 字段控制含義:高 4 位為特征碼,低 4位是控制指令的具體參數。在發送數據包時,特征碼是 1111B,低 4 位為 0000H。發送指令包時的具體含義如下:
1100B:數據出錯,要求重新發送一次。
1101B:設置采集時間間隔。
1011B:復位 MCU。
1010B:初始化所有的采集模塊。
其他:備用。
4 結束語
本文通過設計一種便攜式小型氣象站,使溫度、氣壓、濕度測量及數據傳輸更方便,硬件連接更簡單,使用自定義的數據傳輸協議方法比較簡單,雙層差錯控制可以在很大程度上提高數據傳輸的準確率。
相關產品:農業環境檢測儀 便攜式農業環境監測儀 人工氣候箱
- 【中國農業儀器網】聲明部分文章轉載自其它媒體,轉載目的在于傳遞更多信息,并不代表本網贊同其觀點和對其真實性負責,且不承擔此類作品侵權行為的直接責任及連帶責任。如涉及作品內容、版權和其它問題,請在30日內與本網聯系。
- 上一篇:蒸餾器結構設計要點
- 下一篇:溫室土壤溫濕度無線信息采集與監控..









