您現在的位置:中國農業儀器網 > 技術文章 > 一種電熱恒溫培養箱的設計原理及功效
一種電熱恒溫培養箱的設計原理及功效
隨著我國科學事業的發展,為便于對微生物、細菌、病毒和動植物組織細胞的培養和儲存,我們研制了一種比較小而又恒定溫度和濕度的電熱恒溫培養箱。
圖1是這種培養箱的結構原理示意圖。它由加熱、制冷、加濕及相應的控制系統等幾部分組成。其工作原理是,當溫度偏離給定值,如溫度升高,感溫電橋輸出信號,經放大控制制冷系統致冷,迫使溫度下降;倘若溫度低于給定值時,溫度控制系統工作,加熱器加熱,溫度升高,使溫度達到平衡。如果箱內需要加濕,感濕電橋輸出信號,濕度控制系統工作,電熱加濕器蒸汽噴濕;反之,需要減濕時制冷系統工作致冷,達到除濕的目的,從而保持濕度的恒定。

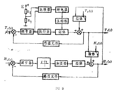
1 測量濕度的理論
根據利用干濕球溫度來確定空氣狀態(圖2)。
在檢測時干球溫度T二表示空氣中的實際溫度,在空氣相對濕度不變的情況下,濕球紗布上水份的蒸發可以認為是穩定的,從而所需要的熱量也是一定。所以當空氣相對濕度較小時,濕球表面水份蒸發較快,蒸發所需要的熱量也就多,因此干濕球溫差大。反之空氣中相對濕度大,則干濕球溫差小。當相對濕度為100%時,水份就不再蒸發了,這說明干濕球溫度相同。可見在一定的空氣狀態里,干濕球溫差也就反映了空氣中相對濕度的大小。

這一物理現象基于濕球溫度T:低于環境溫度T,而吸收的熱量Q,和紗布上水份蒸發失去的熱量Q:應該相等這一平衡關系來考慮的,即口,=口2。根據傳熱學原理,兩種不同溫度的物體接觸時,溫度高的物體會向溫度低的物體傳熱,水與空氣接觸時同樣是這樣。
2 小慣性電熱加濕器
為了達到濕度控制精度的要求,減少加濕器的慣性,改善其動態特性是控濕的關鍵技術,圖6是電熱加濕器的結構原理示意圖。
需要加濕時,濕度控制電路接通加濕器的電熱器進行加熱,使容器內的水加熱至沸騰產生蒸汽。作為濕量的蒸汽通過排氣管噴射到萬箱內。倘若浮_球下沉,它表明需要向容器加水,這時微動開關觸點斷開,打開進水管的電磁閥進水。水充滿時,浮球上升,頂桿碰到微動開關觸點閉合,電磁閥關閉進水管,停止加水。由于容器小,水量很少,慣性時間很短。
濕量表示空氣中水蒸汽含量多少的尺度,而空氣是由千空氣和水蒸汽組合而成的混合氣體,空氣中水汽含量的多少就決定了空氣的潮濕程度。假定箱內的工作溫度T二50℃,相對濕度要求甲=95%,箱體為一個大氣壓,計算結果,箱體容積150升所需要最大濕量為12.65克。因此可以把加濕器的容積做成很小的裝置。
3.試驗情況
培養箱裝機調試后,情況良好,證明設計是合理的,系統電路工作穩定可靠,圖了圖8是這次試驗(經穩定)記錄下來的兩組曲線。
(1)測溫范圍0一50℃,分辨率0.1℃,波動精度士0.5℃。測濕范圍50%~95%R。H,分辨率1%,波動精度士7%R.H。
(2)從溫度和濕度曲線來看,采用前饋解藕控制,溫度和濕度的控制精度有明顯的提高。
(3)培養箱稍加改裝可作為小型的人工氣候箱,儀器儀表型式試驗箱,以擴大它的用途。
- 【中國農業儀器網】聲明部分文章轉載自其它媒體,轉載目的在于傳遞更多信息,并不代表本網贊同其觀點和對其真實性負責,且不承擔此類作品侵權行為的直接責任及連帶責任。如涉及作品內容、版權和其它問題,請在30日內與本網聯系。
- 上一篇:防護服設計原理及安全使用
- 下一篇:土壤對小麥根系生長影響的四個方面









